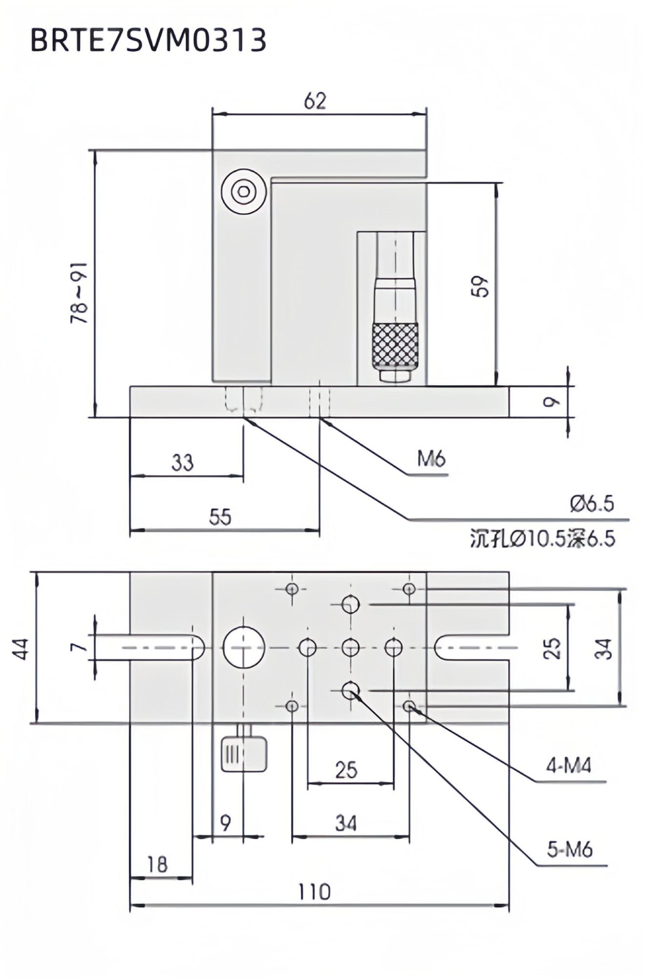
BRTE7SVM0313 升降台

二维码
13666128310
立即购买
产品详情

产品特点:

  • 导轨为进口高品质线性滚珠轴承副

  • 双导轨过定位结构保证运动平稳舒适,精度高

  • 测微头直接驱动,定量读数

  • 台面有标准连接孔和长孔,便于固定连接,并可直接固定7MP 系列支撑杆


产品图纸:

7STM01213图纸_副本.png


参数


产品名称

升降台

产品型号

BRTE7SVM0313

行程

13mm

精度

0.005mm

最小刻度

0.01mm

灵敏度

0.002mm

台面尺寸

44mm x 62mm

负载

2kg

自重

0.6kg