产品特点:
配有步进电机和标准DB9接口,配合7SC系列运动控制器可实现自动控制
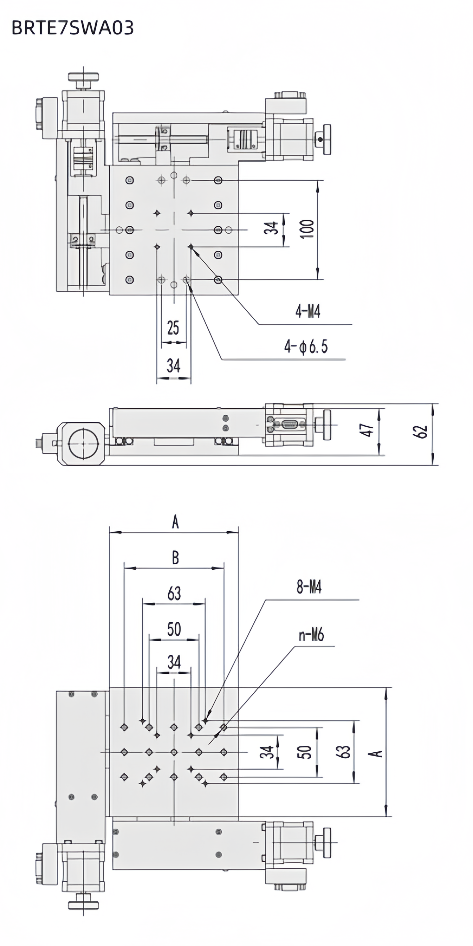
超薄双轴整体式设计,螺杆侧边驱动,结构紧凑、节省空间
精研丝杠副驱动,分辨率高
导轨采用精密交叉滚柱配合精磨V形导轨,运动舒适、线性度好、承载大
步进电机和精研丝杠通过进口高品质弹性联轴节连接,传动同步且噪音小
配有手轮,方便调试
两端装有零位和限位开关,方便准确定位和保护产品
底座有标准孔距的螺纹孔和通孔,方便安装固定
产品型号  | BRTE7SWA0330  | BRTE7SWA0350  | 
行程  | 30mm X 30mm  | 50mm X 50mm  | 
螺杆导程  | 1mm  | |
分辨率(8细分)  | 0.000625mm  | |
重复定位精度  | 0.003mm  | |
直线度  | 0.02mm  | |
平行度  | 0.02mm  | |
标配电机  | 42步进电机(1.8°)  | |
台面尺寸A  | 110mm  | 130mm  | 
M6螺孔间距B  | 无  | 100  | 
M6螺孔间距n  | 9  | 15  | 
C  | 199.5  | 219.5  | 
D  | 188-218  | 198-248  | 
E  | 277  | 297  | 
承载  | 20kg  | |
产品图纸:
