产品特点:
M6×0.25细牙螺杆调整(配铜螺母)
碟形弹簧复位,复位力可调,从零到刚性
调整范围±3°
镜筒装卡镜片,可以装好镜片后再固定到调整架上
聚四氟乙烯垫片,保护镜片
两个方向安装孔,适合不同光路方向
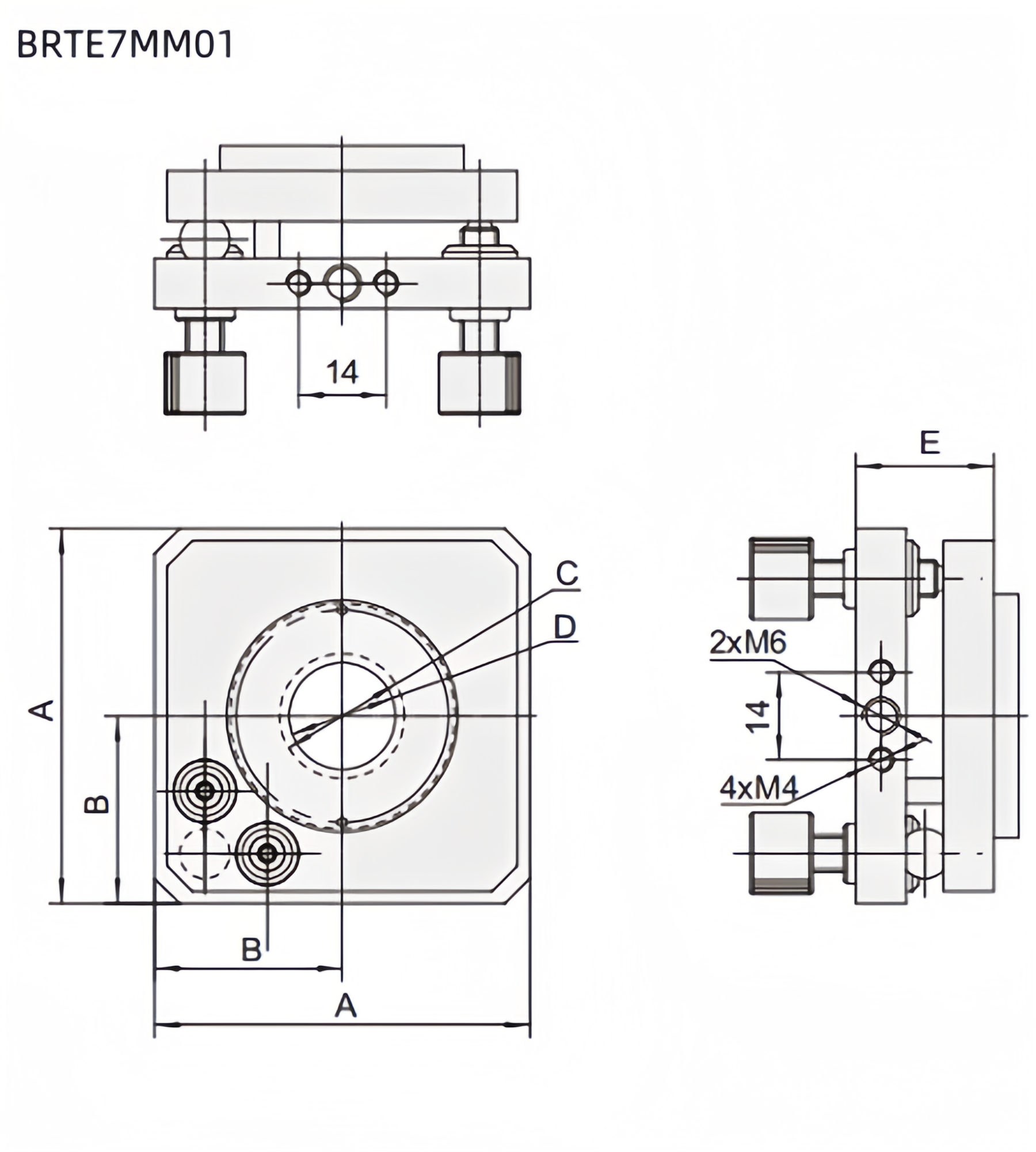
同系列产品及技术参数:
| 产品型号 | A | B | 镜片直径C | 通光孔径D | E | 自重/g |
| BRTE7MM0115 | 60 | 30 | 15 | 13 | 22 | 161 |
| BRTE7MM0120 | 60 | 30 | 20 | 18 | 22 | 156 |
| BRTE7MM0125 | 60 | 30 | 25 | 23 | 22 | 151 |
| BRTE7MM01254 | 60 | 30 | 25.4(1in) | 23 | 22 | 150 |
| BRTE7MM0130 | 60 | 30 | 30 | 28 | 22 | 143 |
| BRTE7MM0140 | 80 | 40 | 40 | 38 | 26 | 242 |
| BRTE7MM0150 | 80 | 40 | 50 | 46 | 26 | 219 |
产品图纸:
