BRTE7SWM02 双轴平移台

二维码
13666128310
立即购买
产品详情

产品特点:

  • 结构紧凑设计,在小的体积内实现两轴平移调整,并且两轴正交精度高

  • 导轨采用精密线性滚柱配合精磨V形导轨,运动舒适,精度更高,承载大

  • 测微头驱动, 弹簧复位,定量读数,消除空回

  • 左、右手成对设计,两轴的测微头安装在同一个水平面上,方便操作


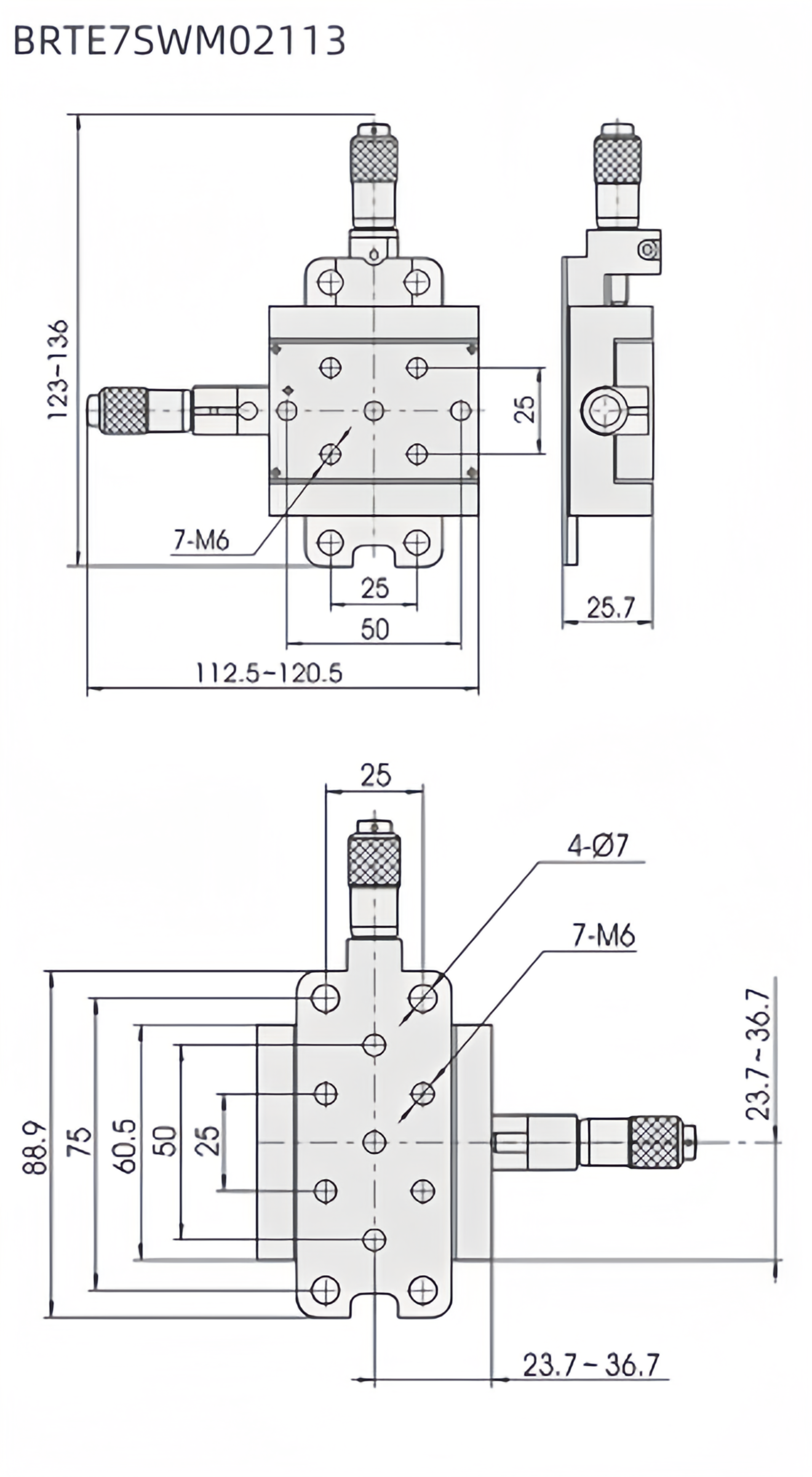
产品图纸:

7STM01213图纸_副本.png                    7SWM02125图纸用_副本.png



参数


产品型号

BRTE7SWM02113(右手型)/2213(左手型)

BRTE7SWM02125(右手型)/2225(左手型)

行程

13mm

25mm

最小刻度

0.01mm

灵敏度

0.002mm

运动摆角

<30″

负载

4kg

自重

0.5kg

0.6kg