产品特点:
导轨为进口高精密超薄线性滑轨,保证运动精度高
位移调整采用精研丝杠、驱动力大、精度高
测微头读数,定量直观
外形小巧美观,占用空间小
台面和底座分布标准孔距的安装孔,方便安装和组合
可与其它系列位移台组成多维调整架
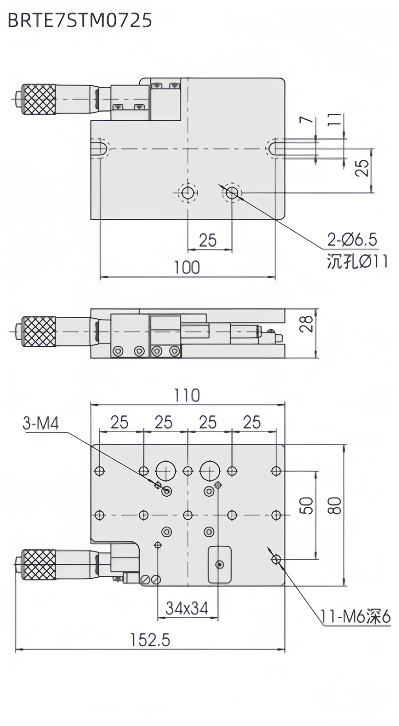
产品图纸:

产品名称  | 平移台  | 
产品型号  | BRTE7STM0725  | 
行程  | 25mm  | 
最小刻度  | 0.01mm  | 
灵敏度  | 0.002mm  | 
精度  | 0.002mm  | 
运动直线度  | <2μm  | 
运动平面度  | <2μm  | 
运动摆角  | 10'(50μrad)  | 
台面尺寸  | 80mm X 110mm  | 
驱动位置  | 侧边  | 
负载  | 20kg  | 
自重  | 0.4kg  |