BRTE7STM05 平移台

二维码
13666128310
立即购买
产品详情

产品特点:

  • 导轨为燕尾副,承载更大

  • 位移调整采用精研丝杠,驱动力大

  • 台面和底座分布标准孔距的安装孔,方便安装和组合

  • 可垂直安装使用,可自锁

  • 可与其它系列位移台组成多维调整架


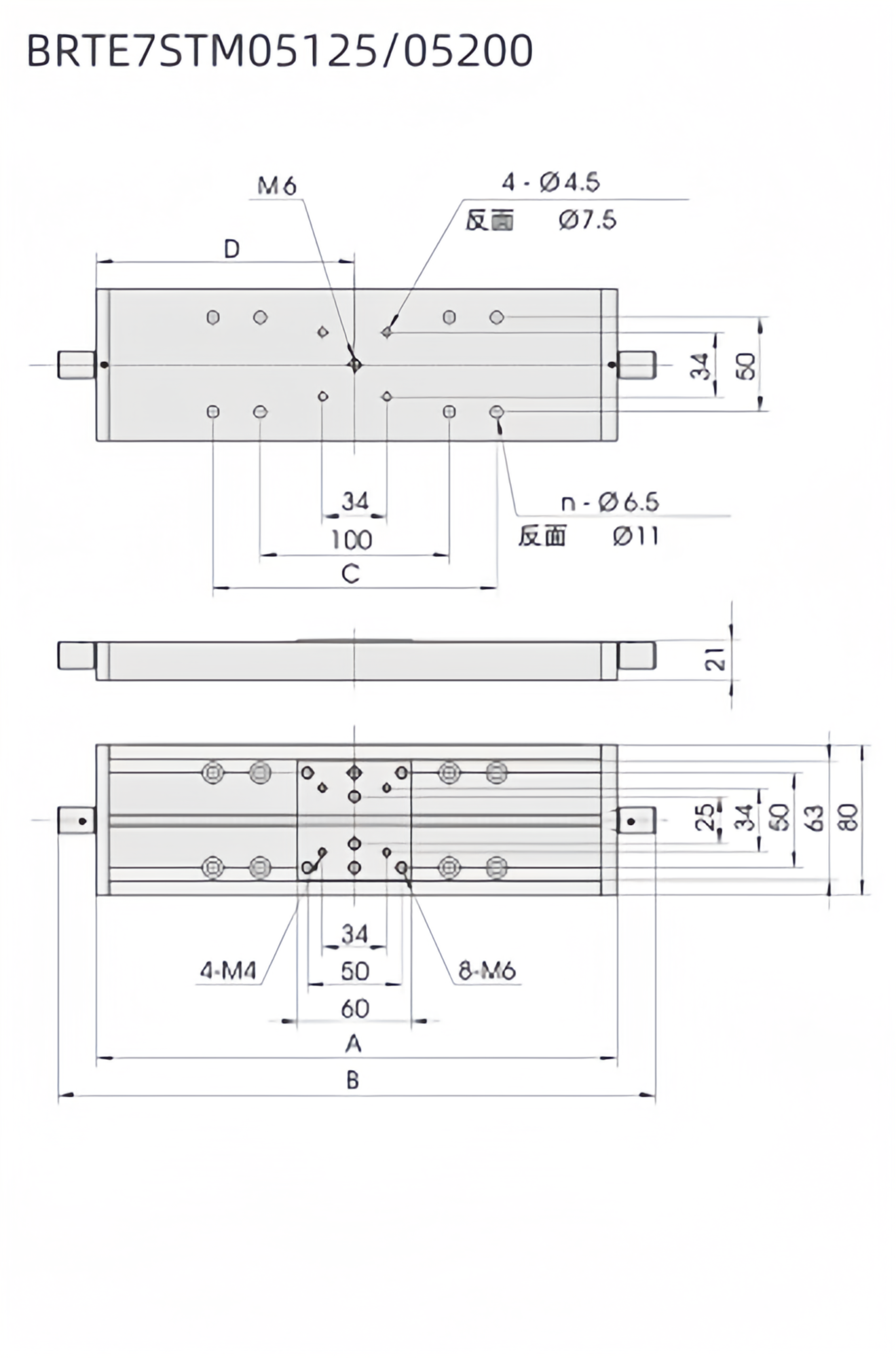
产品图纸:

7STM01213图纸_副本.png          7STM05125图纸用_副本.png


参数


产品型号

BRTE7STM0550BRTE7STM05125BRTE7STM05200

行程

50mm

125mm

200mm

游标读数

0.02mm

-

精度

0.01mm

0.05mm

台面尺寸

100mm x 60mm

63mm x 63mm

水平使用负载

10kg

20kg

垂直使用负载

5kg

自重

0.65kg

0.82kg