产品特点:
导轨为交叉滚柱配合V形钢导轨,精度更高、承载较大、寿命长
位移调整采用细牙螺杆或测微头
细牙螺杆或测微头在平移台中心放置,节省空间
采用弹簧复位,消除轴向间隙
台面和底座分布标准孔距的安装孔,方便安装和组合
可与其它系列位移台组成多维调整架
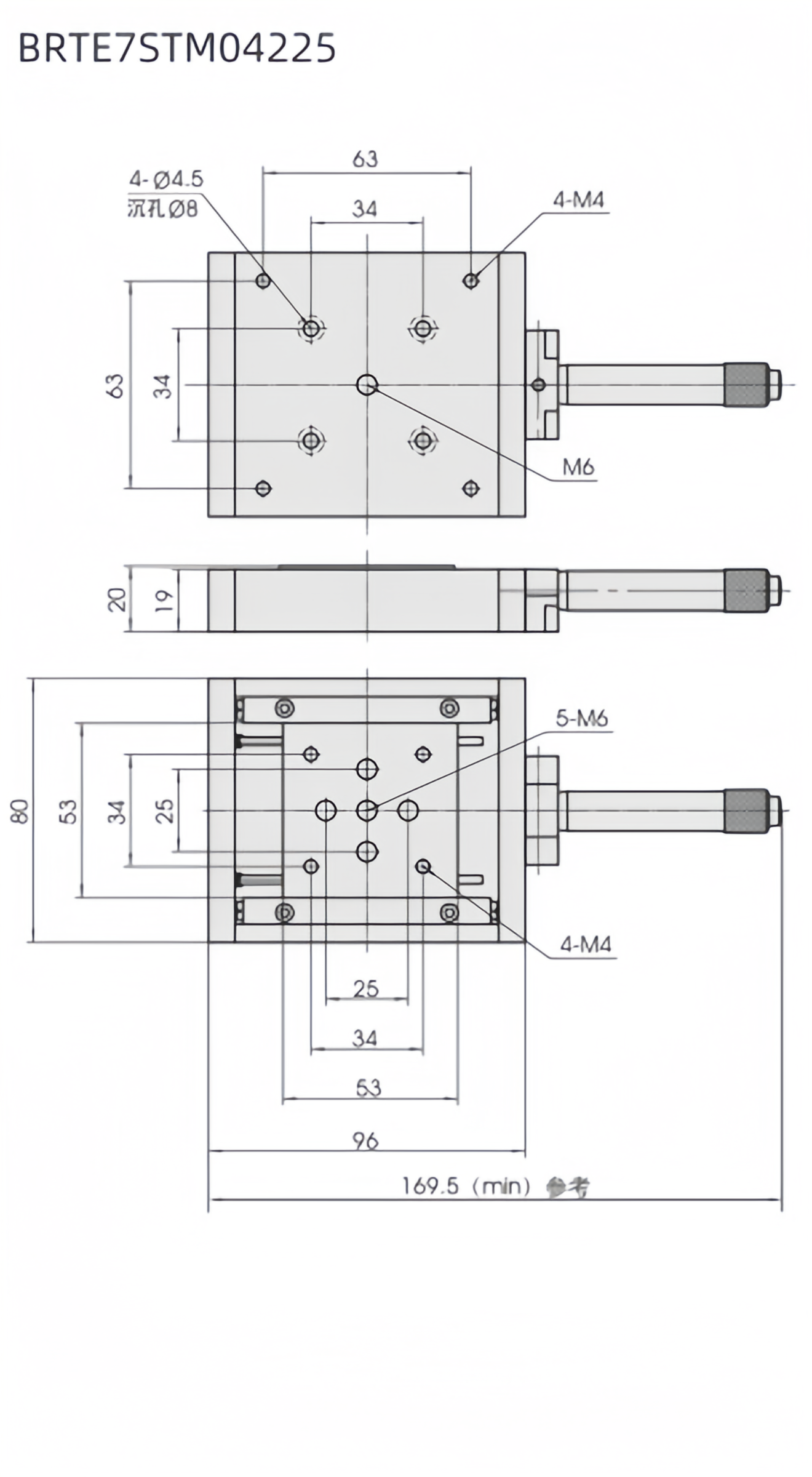
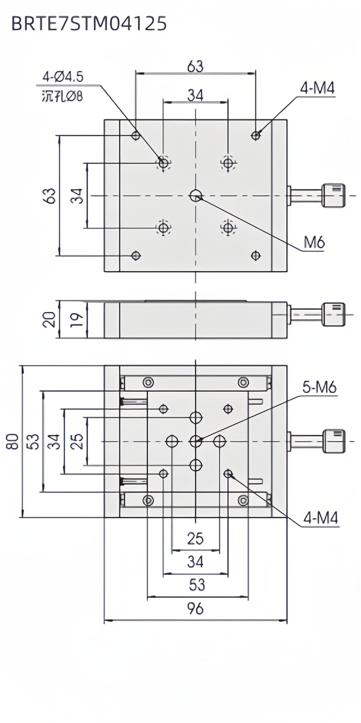
产品图纸:
     

产品型号  | BRTE7STM04125  | BRTE7STM04225  | BRTE7STM04250  | 
位移调整  | M6 x 0.25细牙螺杆  | 测微头  | |
行程  | 25mm  | 50mm  | |
最小刻度  | - | 0.01mm | |
灵敏度  | 0.002mm  | ||
精度  | 0.003mm  | ||
台面尺寸  | 53mm x 53mm  | 110mm x 120mm  | |
负载  | 5kg  | ||
自重  | 0.4kg  | 0.5kg  | 1.25kg  |