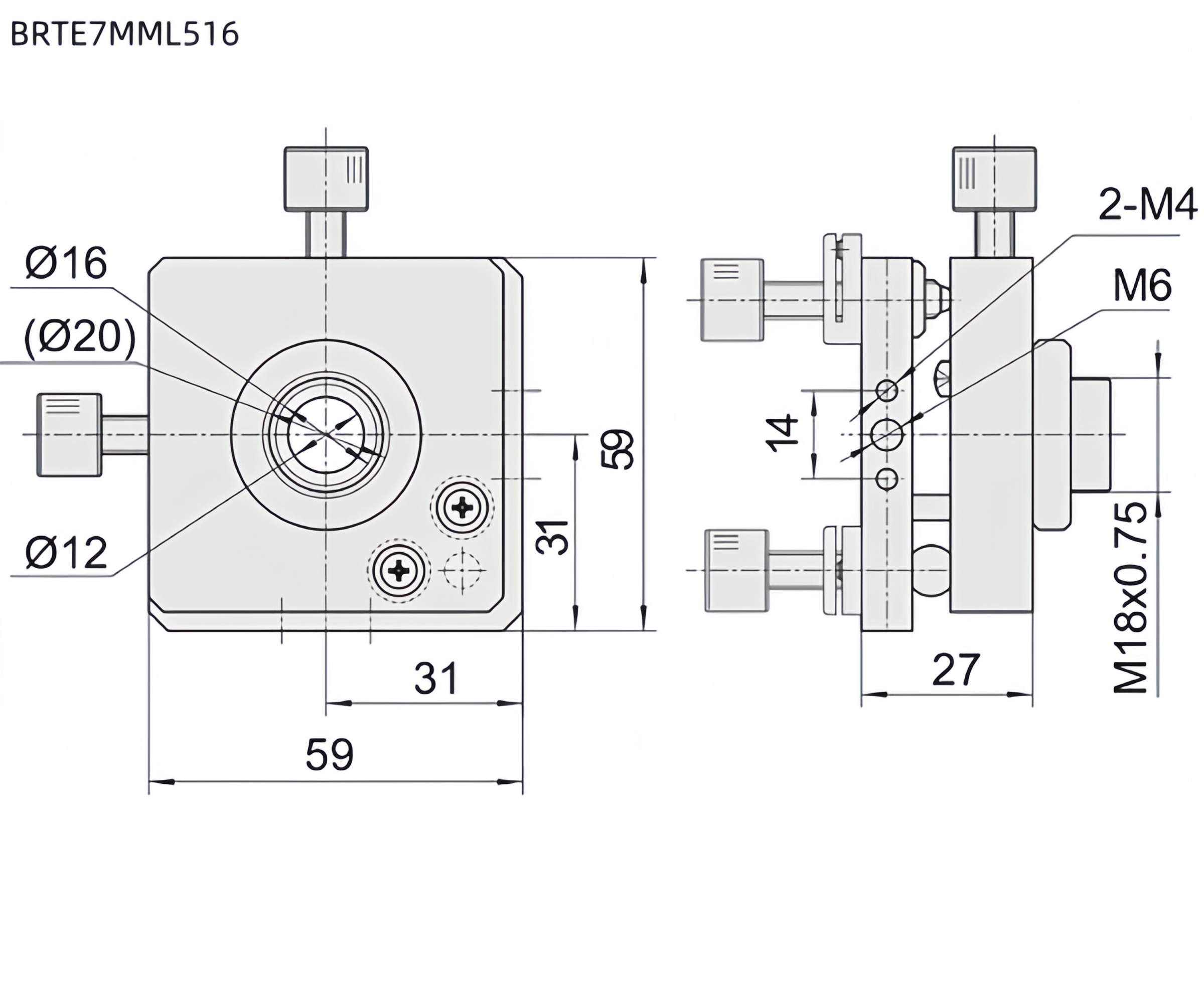
BRTE7MML516 四维调整透镜架

二维码
13666128310
立即购买
产品详情

产品特点:

  • 可将镜片两维平移,两维倾斜调整

  • M6×0.25细牙螺杆调整,特殊铜螺母,可以轴向锁紧螺 杆,防止震动松动

  • 碟形弹簧复位,复位力可调,从零到刚性

  • 螺纹压圈卡紧镜片

  • 选配7MML516-1F/7MML516-2F改变装卡镜片直径


产品图纸:

7SRM156图纸用_副本.png


参数


产品型号

BRTE7MML516

平移调整范围/°

±2

倾斜调整范围/°

±3

装卡镜片直径

16

自重/g

214