产品特点:
导轨为交叉滚柱配合V形钢导轨,精度更高、承载较大、寿命长
位移调整采用细牙螺杆或测微头
细牙螺杆或测微头在平移台侧面放置,节省空间
可根据需要将细牙螺杆或测微头放置在平移台另一侧
采用弹簧复位,消除轴向间隙
台面和底座分布标准孔距的安装孔,方便安装和组合
可与其它系列位移台组成多维调整架
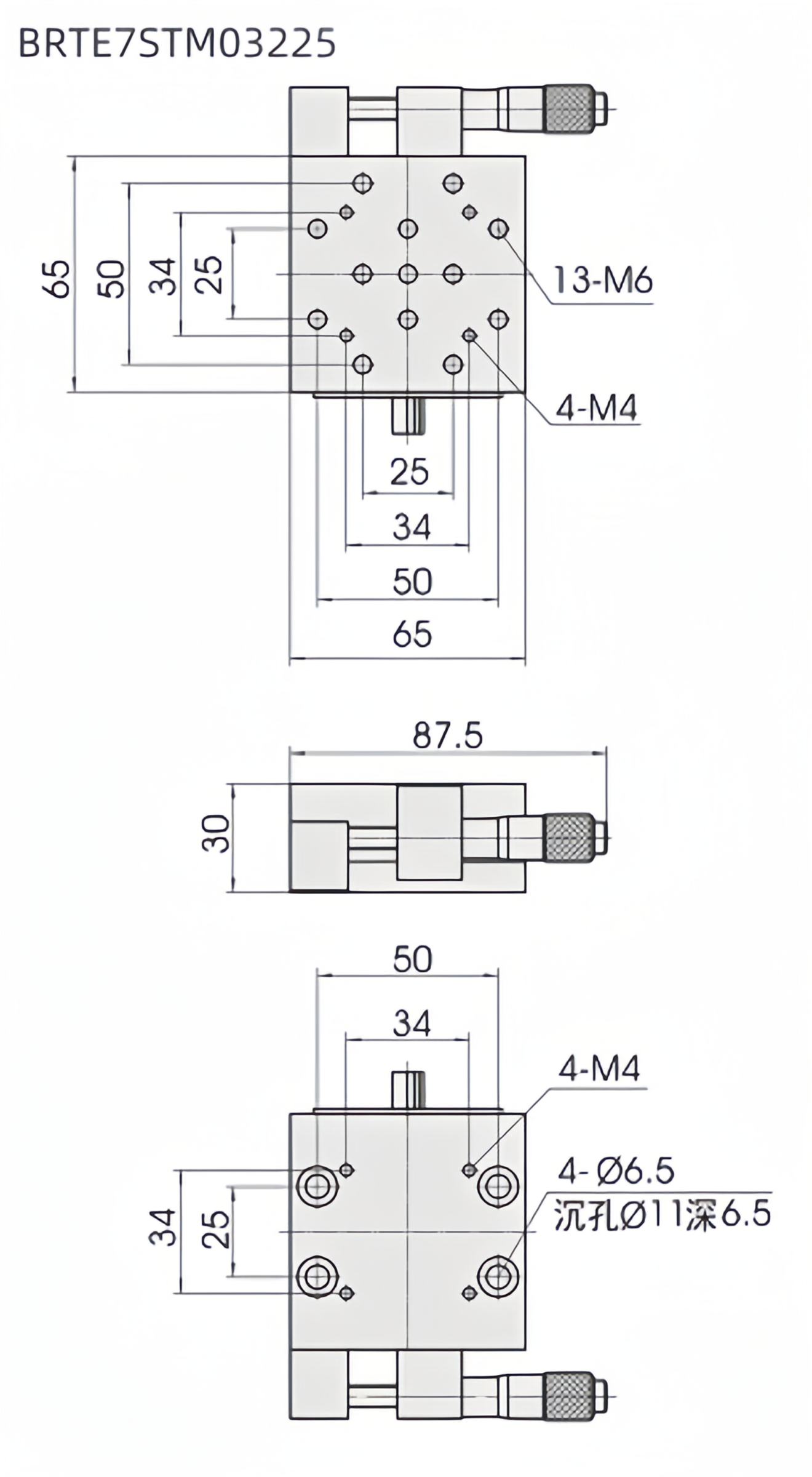
产品图纸:
     
| 产品型号 | BRTE7STM03125  | BRTE7STM03225  | 
位移调整  | M6 x 0.25细牙螺杆  | 测微头  | 
行程  | 25mm  | |
| 最小刻度 | - | 0.01mm | 
灵敏度  | 0.002mm  | |
精度  | 0.003mm  | |
台面尺寸  | 65mm x 65mm  | |
负载  | 5kg  | |
自重  | 0.3kg  | 0.45kg  |