产品特点:
M6×0.25细牙螺杆调整,特殊铜螺母,可以轴向锁紧螺杆,防止震动松动
高性能拉簧复位,复位力均匀,减少应力
调整范围±3°
开放式结构,装卡快捷,通光口径大
三点聚四氟乙烯支撑,保护镜片
两个方向安装孔,适合不同光路方向
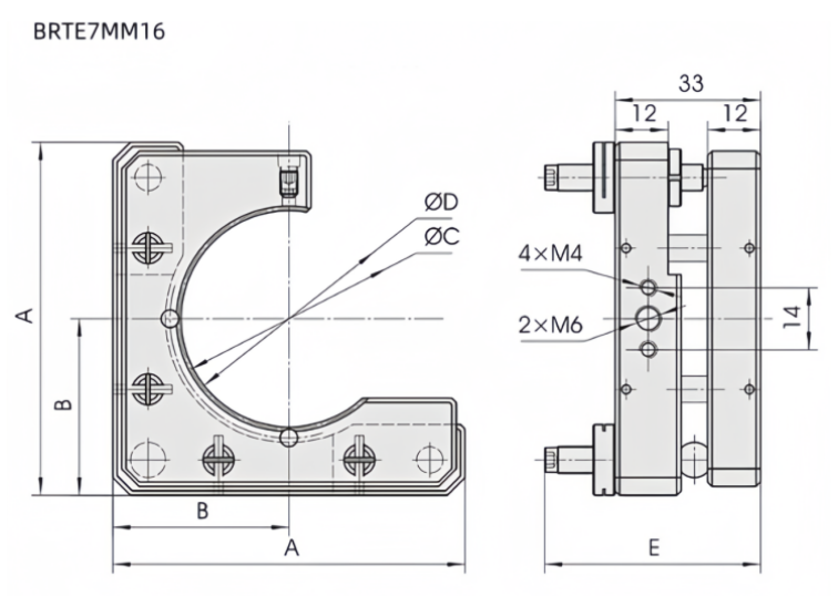
产品型号 | BRTE7MM1615 | BRTE7MM1620 | BRTE7MM1625 | BRTE7MM1630 | BRTE7MM1640 | BRTE7MM1650 | BRTE7MM16254 | BRTE7MM16508 |
A | 60 | 80 | 60 | 80 | ||||
B | 30 | 40 | 30 | 40 | ||||
镜片直径C | 15 | 20 | 25 | 30 | 40 | 50 | 25.4(1in) | 50.8(2in) |
通光孔径D | 14 | 19 | 24 | 29 | 39 | 49 | 24.4 | 49.8 |
E | 46 | 49 | 46 | 49 | ||||
自重/g | 162 | 159 | 154 | 147 | 220 | 202 | 154 | 200 |
产品图纸:
