产品特点:
M6×0.25细牙螺杆调整(配铜螺母)
碟形弹簧复位,复位力可调,从零到刚性
调整范围±3°
开放式结构,装卡快捷,通光口径大
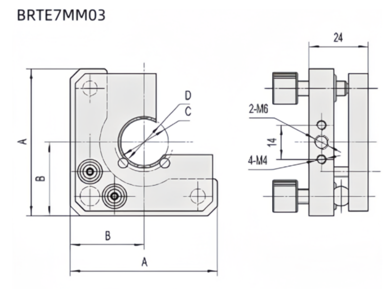
| 产品型号 | A | B | 镜片直径C | 通光孔径D | 自重/g |
| BRTE7MM0315 | 60 | 30 | 15 | 14 | 107 |
| BRTE7MM0320 | 60 | 30 | 20 | 19 | 104 |
| BRTE7MM0325 | 60 | 30 | 25 | 24 | 101 |
| BRTE7MM0330 | 60 | 30 | 30 | 29 | 96 |
| BRTE7MM0340 | 80 | 40 | 40 | 39 | 142 |
| BRTE7MM0350 | 80 | 40 | 50 | 49 | 130 |
| BRTE7MM03254 | 60 | 30 | 25.4(1in) | 24.4 | 100 |
| BRTE7MM03508 | 80 | 40 | 50.8(2in) | 49.8 | 129 |
三点聚四氟乙烯支撑,保护镜片
两个方向安装孔,适合不同光路方向
同系列产品及技术参数:
产品图纸:
