产品特点:
导轨为精密线性钢球配合精磨钢棒,精度高,成本低,负载较轻
位移调整采用细牙螺杆或测微头
细牙螺杆或测微头在平移台侧面放置,节省空间
BRTE7STM01125 和 BRTE7STM01225 可以根据需要将细牙螺杆或测微头放置在另一侧
采用弹簧复位,消除轴向间隙
台面和底座分布标准孔距的安装孔,方便安装和组合
可与其它系列位移台组成多维调整架
产品图纸:
   


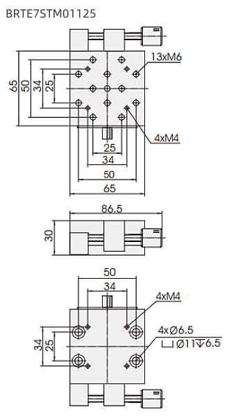
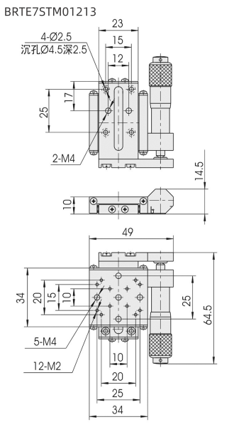
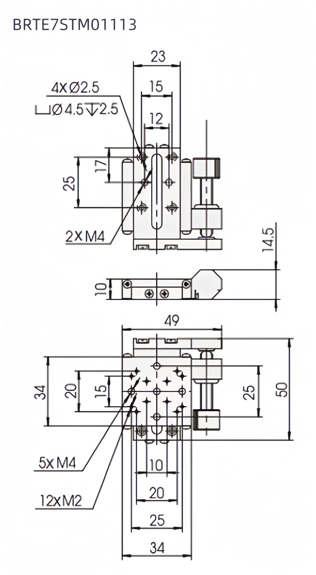
| 产品型号 | BRTE7STM01113  | BRTE7STM01125  | BRTE7STM01213  | BRTE7STM01225  | 
位移调整  | M6 x 0.25细牙螺杆  | 测微头  | ||
行程  | 13mm  | 25mm  | 13mm  | 13mm  | 
| 最小刻度 | - | - | 0.01mm | |
灵敏度  | 0.002mm  | |||
精度  | 0.005mm  | |||
台面尺寸  | 34mm x 34mm  | 65mm x 65mm  | 34mm x 34mm  | 65mm x 65mm  | 
负载  | 1kg  | 3kg  | 1kg  | 3kg  | 
自重  | 0.05kg  | 0.35kg  | 0.07kg  | 0.45kg  |